Gewindestift mit Innensechskant & Zapfen, Stahl 45H blank, M8x10 mm
Beschreibung
Dieser Gewindestift aus Stahl mit Zapfen ist für Anwendungen ausgelegt, bei denen eine zuverlässige Druckbelastung gefragt ist. Typische Einsatzbereiche sind das Klemmen in einem Stellring oder das Drücken auf ein Gegenstück. Durch die hohe Härte von 45H beziehungsweise rund 450 HV bietet der Gewindestift eine sehr gute Torsionsfestigkeit im Innensechskant und bleibt auch beim Anziehen und Lösen belastbar.
Hinweise
Gewindestifte aus Stahl dürfen nur auf Druck belastet werden, siehe auch DIN EN ISO 898-5. Das Anschweissen, Anziehen mit Muttern beziehungsweise Kontern oder eine Belastung auf Biegung entspricht in der Regel nicht dem vorgesehenen Einsatzzweck. Jede Zugspannung kann zum Versagen führen und deutet meist auf eine falsche Anwendung hin.
Technische Daten
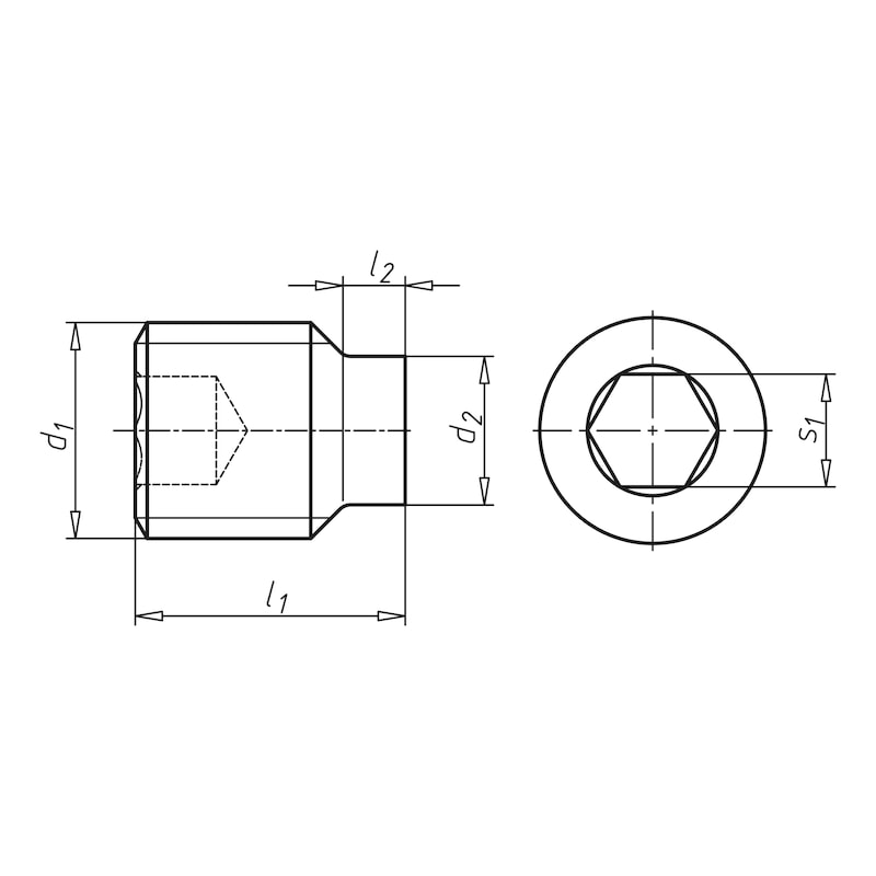
- Gewindeart x Nenndurchmesser (d1): M8
- Länge (l1): 10 mm
- Zapfendurchmesser (d2): 5,5 mm
- Zapfenlänge (l2): 2 mm
- Innenantrieb (s1): IS4
- Norm: ISO 4028
- Werkstoff: Stahl
- Oberfläche: Blank
- Härteklasse: 45H
- Antriebsart: Innensechskant
- Gewindeform: Regelgewinde
- Spitzenform: Zapfen
- RoHS-konform: Ja
Lieferumfang
- 1x Gewindestift aus Stahl mit Zapfen, M8 x 10 mm