Sechskantschraube mit Flansch nach MBN-Norm, M12x1,5x110mm

Artikel Nr.: 9110263112110
https://automobile-hess.ch/web/image/product.template/151860/image_1920?unique=a76befc

    CHF 2.48 CHF 2.48 2.48 CHF

    CHF 2.48

    inkl. MwSt.

    Diese Kombination existiert nicht.

    Zum Warenkorb hinzufügen

    Highlights & Details

    • Flanschkopfschraube nach MBN 10105, Form C (Teilgewinde)
    • Stahl, Festigkeitsklasse 10.9
    • M12 x 1,5 Feingewinde
    • Silberfarbener Zinklamellenüberzug nach DBL 9440.40, Cr(VI)-frei
    • Korrosionsschutz bis zu 720 h nach DIN EN ISO 9227 NSS
    • Eingestelltes Reibwertfenster μ ges = 0,09 – 0,14 nach VDA 235 – 101
    • Geeignet für den Nutzfahrzeugbau

    Beschreibung

    Diese Flanschkopfschraube nach MBN 10105 ist für hochbeanspruchte Verbindungen im Nutzfahrzeugbau ausgelegt. Gefertigt aus Stahl der Festigkeitsklasse 10.9 und ausgestattet mit einem silberfarbenen Zinklamellenüberzug nach DBL 9440.40, bietet sie einen leistungsfähigen, Cr(VI)-freien Korrosionsschutz gemäss VDA 235 – 104.42.

    Die Korrosionsbeständigkeit beträgt bei Durchmessern ab M10 ca. 720 Stunden im Salzsprühnebeltest nach DIN EN ISO 9227 NSS – ohne Grundmetallkorrosion. Die Prüfung erfolgt frühestens 24 Stunden nach der Beschichtung im Zustand „wie beschichtet“. Handlings-, Transport- und Montageprozesse können die Werte reduzieren. Eine direkte Übertragung der Ergebnisse auf reale Verbau- und Betriebsbedingungen ist nur eingeschränkt möglich. Werkstoffkombinationen, Beschichtungen und Umgebungsbedingungen sind bei der Auslegung zu berücksichtigen.

    Der integrierte Flansch reduziert die Flächenpressung unter dem Schraubenkopf durch eine vergrösserte Auflagefläche. Dadurch wird die Gefahr von Vorspannkraftverlusten durch Setzen minimiert. Die angepresste konkave Auflagefläche erhöht zusätzlich die Elastizität der Verbindung und hilft, Setz- und Kriechbewegungen auszugleichen.

    Passend dazu: Sechskantmutter mit Flansch und Klemmteil MBN 13032, Stahl 10, Zinklamellenüberzug, Artikelnummer 026391.

    Hinweise

    Ab M12 mit Feingewinde verfügbar. Form C entspricht Teilgewinde. Die angegebenen Korrosionsbeständigkeiten gelten ausschliesslich für die Prüfung nach DIN EN ISO 9227 NSS im Zustand „wie beschichtet“.

    Technische Daten

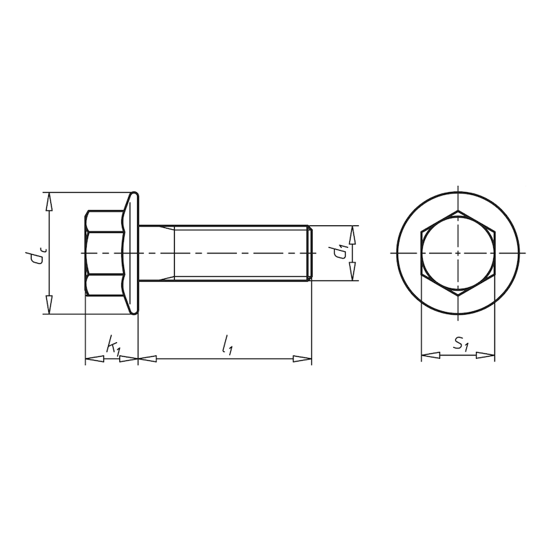
    • Gewindeart x Nenndurchmesser x Steigung (d1): M12 x 1,5
    • Länge (l1): 110 mm
    • Kopfdurchmesser (dc): 26 mm
    • Kopfhöhe (k1): 11,5 mm
    • Aussenantrieb (s1): SW18
    • Norm: MBN 10105
    • Werkstoff: Stahl
    • Festigkeitsklasse: 10.9
    • Oberfläche: Zink-Lamelle silber
    • Korrosionsschutzdauer: 720 h
    • Kopfform: Sechskantkopf mit Flansch
    • Antriebsart: Aussensechskant
    • Gewindeart: Metrisches Gewinde
    • Gewindeform: Feingewinde
    • Gewindeausführung: Teilgewinde
    • Produktklasse: A
    • Einsatzbereich: Nutzfahrzeugbau
    • RoHS-konform: Ja

    Lieferumfang

    • Flanschkopfschraube M12 x 1,5 x 110 mm, Stahl 10.9, Zink-Lamelle silber