Einnietmutter mit Flachkopf, 16x8,9mm-M6

Artikel Nr.: 9110917260
https://automobile-hess.ch/web/image/product.template/1311900/image_1920?unique=810d55e

    CHF 0.52 CHF 0.52 0.52 CHF

    CHF 0.52

    inkl. MwSt.

    Diese Kombination existiert nicht.

    Zum Warenkorb hinzufügen

    Beschreibung

    Diese Einnietmutter aus Stahl mit verzinkter und blau passivierter Oberfläche sowie Flachkopf ermöglicht stabile Gewindeverbindungen in dünnen Materialien oder geschlossenen Profilen. Sie verbindet die Vorteile einer Nietverbindung mit der Flexibilität einer Schraubverbindung und erlaubt die einfache Montage weiterer Bauteile mit handelsüblichen Schrauben. Die Montage erfolgt von nur einer Seite und eignet sich daher ideal für schwer zugängliche Bauteile oder geschlossene Profile. Dank der einfachen und schnellen Verarbeitung sowie der gleichbleibend hohen Verarbeitungsqualität lassen sich Einnietmuttern effizient und wirtschaftlich einsetzen. Die verdrehsichere Ausführung sorgt dabei für eine stabile und dauerhafte Gewindeverbindung.

    Hinweise

    Bei den angegebenen Auszugwerten handelt es sich um Richtwerte. Diese können je nach Werkstück, Bohrlochtoleranz und Oberflächenrauhigkeit variieren. Besonders gut geeignet zur Erreichung hoher Drehfestigkeit in weichen Materialien wie Aluminium, Holz oder Kunststoff.

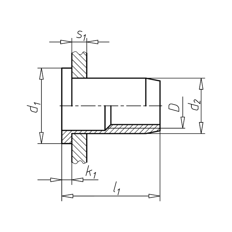
    Technische Daten

    • Werkstoff: Stahl
    • Oberfläche: Verzinkt, blau passiviert
    • Gewindeart / Nenndurchmesser: M6
    • Kopfform: Flachkopf
    • Kopfdurchmesser (d1): 13.0 mm
    • Aussendurchmesser (d2): 8.9 mm
    • Länge (l1): 16 mm
    • Kopfhöhe (k1): 1.5 mm
    • Klemmbereich (s1): 0,5–3,0 mm
    • Bohrlochdurchmesser: 9.0 mm
    • Zugbruchlast: 15000 N
    • Scherbruchlast: 4400 N
    • Anziehdrehmoment max.: 10 Nm

    Lieferumfang

    • 1x Einnietmutter M6 Stahl, verzinkt, blau passiviert, Flachkopf